• 咨询热线:138-3214-7329 189-0339-0754 欢迎进入车载DCDC转换器、军用ups电源、模块电源厂家石家庄PA直营电子科技有限公司官网!

    标准模块电源(DC-DC转换器、AC-DC转换器)

    新能源电动汽车DC-DC模块电源集成、制造商

    PA直营Contact us
    全国咨询热线138-3214-7329

    石家庄PA直营电子科技有限公司

    公司地址:河北.石家庄市长安区丰收路188号

    联系电话:189-0339-0754

    公司邮箱:zhuoxuankj@126.com

    工业开关电源

    便装式开关电源1500W

    在线咨询全国热线
    189-0339-0754
    广泛应用于工业自动化控制、军工设备、科研设备、LED照明、工控设备、通讯设备、电力设备、仪器仪表、医疗设备、安防监控、液晶显示器等
    单组输出:功率1500W
    输入电压:180-265VAC/254-375VDC
    内置EMI电路、采用进口元器件
    采用长寿命105℃电解电容
    具备过载/过压/短路/过温保护
    内置风扇制冷、阻燃接线端子
    可承受5G震动, 70℃操作温度
    操作高度达5000米
    年质保
    型号 ZAS-1500-12 ZAS-1500-24 ZAS-1500-36 ZAS-1500-48
    直流输出电压、电流 12V 0125A 24V 062.5A 36V 041A 48V 032A
    纹波及噪音 120mVp-p 200mVp-p 200mVp-p 240mVp-p
    进线稳定度 ±0.5% ±0.5% ±0.5% ±0.5%
    负载稳定度 ±0.5% ±0.5% ±0.5% ±0.5%
    效率 80% 85% 86% 87%
    直流电压可调范围 ±10% ±10% ±10% ±10%
    输入电压范围 180264VA或254~375VDC
    冲击电流 冷启动电流 45A/230VAC
    过载保护 105%135%切断输出,自动恢复
    过电压保护 115%140%关闭输出,电源重启后可恢复输出
    启动、上升、保持时间 2000ms, 50ms, 20ms/230VAC 满负载
    耐压性 输入输出间:1.5kV 输入与外壳间:1.5kV 输出与外壳间:0.5kV 一分钟
    隔离电阻 输入输出间 输入与外壳间 输出与外壳间:500VDC/100M
    工作温度 -10℃~+50
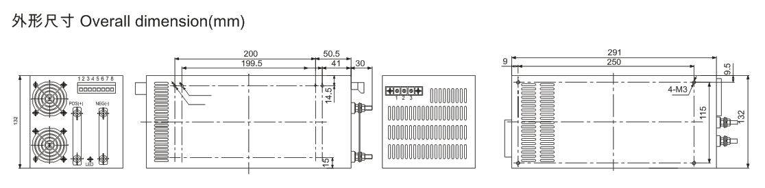
    尺寸 291×132×136mm
    重量 5.3kg
    包装 38×37.5×21CM/2PCS/11kg

     
    /Upload/20200302104018hLCu.jpg


     
    本文标签:
    在线客服
    联系方式

    热线电话

    138-3214-7329

    上班时间

    周一到周五

    公司电话

    189-0339-0754

    二维码
    线
    PA直营
    网站地图