典型性能:宽压输入、单、双、三路输出,输入频率范围47Hz-440Hz,输出低纹波噪声、高稳压精度、长期短路保护自恢复、使用效率高,高隔离耐压。
广泛应用:工业自动化、通信、医疗、车载设备、新能源、铁路信号、仪器仪表、电力系统、军用设备、车船舰载、雷达、航空航天等领域
| @电参数测试环境:所有参数均在标称输入电压,标称负载、环境温度25℃下测得,特殊除外 | ||||||||||||
产品命名方式: | ||||||||||||
| 产品型号列表: | ||||||||||||
| 产品型号 | 输入电压范围(AC) | 输出电压(VO)/输出电流(IO) | 纹波噪声 | 效率(%) | ||||||||
85-265V(AC) 120-360V(DC) | Vo1 | Io1 | Vo2 | Io2 | Vo3 | Io3 | ||||||
| ZAS05-05-W | 05V | 1A | ≤%1 | 85 | ||||||||
| ZAS05-12-W | 12V | 0.41A | ≤%1 | 88 | ||||||||
| ZAS05-15-W | 15V | 0.33A | ≤%1 | 88 | ||||||||
| ZAS05-24-W | 24V | 0.21A | ≤%1 | 87 | ||||||||
| ZAS05-48-W | 48V | 0.1A | ≤%1 | 87 | ||||||||
| ZAS05-09-W | 09V | 0.55A | ≤%1 | 82 | ||||||||
| ZAS05-3.3-W | 3.3V | 1A | ≤%1 | 81 | ||||||||
| ZAD05-12-W | +12V | 0.2A | -12V | 0.2A | ≤%1 | 89 | ||||||
| ZAD05-24-W | +24V | 0.1A | -24V | 0.1A | ≤%1 | 88 | ||||||
| ZAD05-15-W | +15V | 0.16A | -15V | 0.16A | ≤%1 | 87 | ||||||
| ZAD05-48-W | +48V | 0.05A | -48V | 0.05A | ≤%1 | 86 | ||||||
| ZAT05-0512-W | +05V | 0.5A | +12V | 0.25A | -12V | 0.25A | ≤%1 | 85 | ||||
| ZAT05-0524-W | +05V | 0.5A | +24V | 0.05A | -24V | 0.05A | ≤%1 | 86 | ||||
| ZAT05-1224-W | +12V | 0.2A | +24V | 0.05A | -24V | 0.05A | ≤%1 | 87 | ||||
| 注:以上型号未尽,有更多参数可选,详情咨询我公司。 | ||||||||||||
| 输入特性 | 更低端(Vac) | 标称输入电压(Vac) | 更高端(Vac) | |||||||||
| 输入电压 | 85VAC | 220VAC | 265VAC | |||||||||
| 输入频率范围 | 47Hz-440Hz | |||||||||||
| 输出特性 | ||||||||||||
| 输出电压精度 | Vo1±1%,Vo2±3%,Vo3±3% | |||||||||||
| 纹波噪声 | <1%Vp-p(20MHz示波器光探头测试) | |||||||||||
| 负载效应 | ±0.5%(10%-) | |||||||||||
| 过流保护 | >110% | |||||||||||
| 温度系数 | ±0.03%/℃ | |||||||||||
| 输出保护 | 短路保护(长期、自恢复)、过温保护、过流保护、过压保护 | |||||||||||
| 一般特性 | ||||||||||||
| 工作环境温度 | -25~+60℃(工业级) -40~+70℃(军工级) -55~+85℃(航天级) | |||||||||||
| 储存温度 | -45~+105℃(工业级) -55~+105℃(军工级) -60~+125℃(航天级) | |||||||||||
| 储存湿度 | 5%~95%RH | |||||||||||
| 隔离电阻 | >100MΩ | |||||||||||
| 隔离耐压 | 输入-输出2500VAC 输入-外壳2500VAC 输出-外壳500VAC | |||||||||||
| 工作频率 | 60KHZ | |||||||||||
| 安装方式 | 焊接式 | |||||||||||
| 外壳材料 | 低辐射塑料或金属外壳 | |||||||||||
| 冷却方式 | 自然空冷 | |||||||||||
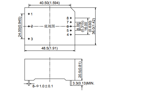
| 安装尺寸(单位:mm)及管脚定义: | ||||||||||||
| ||||||||||||




<
<
<
<

客服1
客服2