联系电话 
189-0339-0754 / 138-3214-7329
石家庄PA直营电子科技有限公司
公司地址:河北.石家庄市长安区丰收路188号
联系电话:189-0339-0754
公司邮箱:zhuoxuankj@126.com
作者:石家庄PA直营电子科技有限公司 发布时间:2020-03-17 12:46:33点击:2234
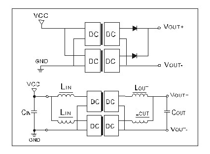
1.dcdc电源模块-电源模块串联如何使用
直流输出的隔离模块电源容许好几个电源模块将其“正”与另外的“负”串联起來应用,那样能够得到一些常规性或较高的电压值。
如下图所示1:

dcdc电源模块串联
电源模块1 为5V 输出,模块2 为12V 输出,串联获得17V 常规性高电压,总输出电流即负载的功耗不能超过输出额定电流很小
的电源模块的标称值,输出电压由于各个串联的模块电源不可能同步输出,采用压降小的肖特基二极管反极性输出保护,不同步也造成输
出纹波不能抵除,叠加变大,在输出也产生的冲击频率(噪声)也相应变大,应用中需要外加更多的滤波器。
2.dcdc电源模块并联如何使用
假如目前的dcdc电源模块功率不能够满足现有实际的需用,就必须将好几个同样的模块电源进行并联达到需要的输出功率;温馨提示的是
并联的模块要求特性要非常的相近否则输出电压高的电源有可能会提供全部负载电流,造成每个模块电源负载电流的不均衡,即便输
出电压极为相近,因为输出负载随時间,温度变化造成的差异,也使负载功率的平衡变的极不稳定,因而尽量避免并联使用。
如下图所示2:

dcdc电源模块并联
在需要并联使用时,应当提示的是,运用冗余技术是较好的解决方案(两部电源模块输出端通过二极管并联,二极管容许至少一台
失效时并不影响另一个电源模块持续给负载供电,这类方法常见于不容许电源模块出故障的关键场所);但是考量其二极管的压降,防止造
成影响;这类方式不仅造成一规律性的频率冲击较强地干扰使其纹波远大于其两个dcdc电源模块的纹波.此时还需外接电容来减小纹波.
较佳的方法则是在输出串联电感,不光比二极管压降小,又很适合地挑选电感和电容,会十分有效得削减冲击频率和各自的纹波。