咨询热线:138-3214-7329 189-0339-0754 欢迎进入车载DCDC转换器、军用ups电源、模块电源厂家石家庄PA直营电子科技有限公司官网!

标准模块电源(DC-DC转换器、AC-DC转换器)

新能源电动汽车DC-DC模块电源集成、制造商

PA直营Contact us
全国咨询热线138-3214-7329

石家庄PA直营电子科技有限公司

公司地址:河北.石家庄市长安区丰收路188号

联系电话:189-0339-0754

公司邮箱:zhuoxuankj@126.com

工业开关电源

便装式开关电源50W

电源类型:AC/DC开关电源
规格型号:ZAS-50-12
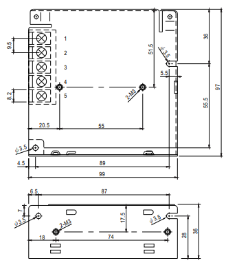
电源尺寸:99mm*98mm*30mm
输入电压:85V-265VAC或120V-375VDC
输出电压:DC5V/12V/19V/18V/24V/48V
输出功率:50W

在线咨询全国热线
189-0339-0754

广泛应用于工业自动化控制、军工设备、科研设备、LED照明、工控设备、通讯设备、电力设备、仪器仪表、医疗设备、安防监控、液晶显示器等领域
单组输出:功率50W
输入电压:85-265VAC/120-375VDC
无PFC功能,最经济型机型
小型化及1U低高度(30mm)
300VAC浪涌电流
空载待机消耗瓦数:0.2~0.75W
可承受5G震动, 70℃操作温度
操作高度达5000米
完整安规认证: IEC/EN60335-1(PD3), IEC/EN61558-1,-2-16; IEC/EN/UL60950-1及GB4943

型号ZAS-50-5ZAS-50-12ZAS-50-18ZAS-50-24ZAS-50-36ZAS-50-48
直流输出电压、电流5V 010A12V 04.16A18V 02.7A24V 02.08A36V 01.3A48V 01A
纹波及噪音50mVp-p100mVp-p100mVp-p100mVp-p100mVp-p100mVp-p
进线稳定度±0.5%±0.3%±0.2%±0.2%±0.2%±0.2%
负载稳定度±0.5%±0.3%±0.2%±0.2%±0.2%±0.2%
效率78%81%84%84%84%84%
直流电压可调范围±10%±10%±10%±10%±10%±10%
输入电压范围85~265VAC/120~375VAC 频率 4763Hz
冲击电流冷启动电流 30A/115VAC 60A/230VAC
过载保护105%150%切断输出,自动恢复
过电压保护 关断输出电压、重启恢复
启动、上升、保持时间200ms, 50ms, 20ms/230VAC 满负载
耐压性输入输出间:1.5kV 输入与外壳间:1.5kV 输出与外壳间:0.5kV 一分钟
隔离电阻输入输出间 输入与外壳间 输出与外壳间:500VDC/100M
工作温度-10℃~+50
尺寸99×98×30mm
重量0.2kg
包装43×32.5×24CM/30PCS/18kg


结构尺寸图:

 

本文标签:
在线客服
联系方式

热线电话

138-3214-7329

上班时间

周一到周五

公司电话

189-0339-0754

二维码
线
PA直营
网站地图